Let the Apple Car rumors roll on. Apple has been granted a patent (number 11,345,209) for suspension systems for a vehicle.

About the patent

In the patent, Apple points out that (obviously) vehicles typically include a suspension system. The suspension system supports a first part of the vehicle, which is referred to as the “sprung mass,” over a second part of the vehicle, which is referred to as the “unsprung mass.” The body and passenger compartment of a vehicle are typically included in the sprung mass. The tires, wheels, and components directly connected to the wheels are typically included in the unsprung mass. 

The suspension attempts to isolate the sprung mass from vibrations that are experienced by the unsprung mass. The vibrations that are experienced by the unsprung mass may have many causes, including the horizontal and vertical curvature of the roadway that the vehicle is travelling on, surface roughness of the roadway surface, imperfections in the roadway surface, and debris on the roadway surface. 

The suspension system may include a number of different types of suspension components, such as dampers, springs, and bushings. Suspension components may be passive or active. Passive suspension components are mechanical devices that react to forces applied to them, typically by controlling the rate of movement away from a neutral position and the causing the system to return to the neutral position. Active suspension components are controlled systems that apply forces based on observed states, such as measured acceleration values for portions of the vehicle. For example, active suspension components may be actuated based in part on relative acceleration measurements that measure acceleration of the sprung mass relative to the unsprung mass.

Apple thinks it can take the best elements of passive and active suspension systems and improve upon them.

Summary of the patent

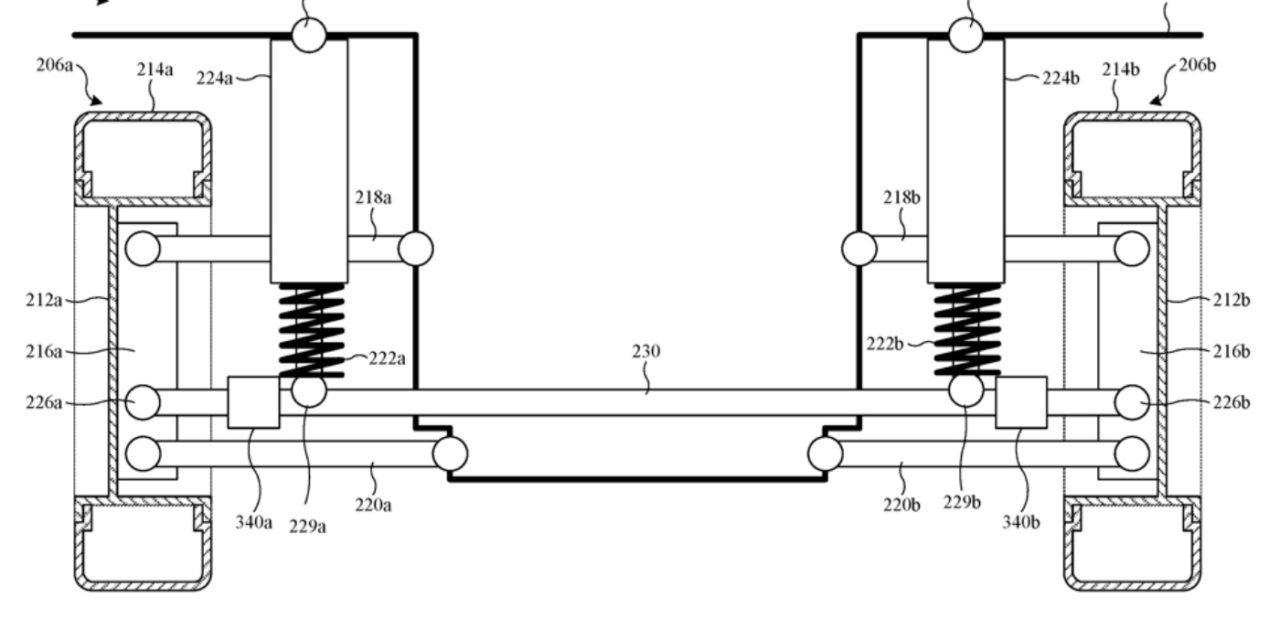
Here’s Apple’s abstract of the patent: “A suspension system for a vehicle that has a vehicle body, a first wheel assembly that includes a first wheel hub, and a second wheel assembly that includes a second wheel hub. The suspension system includes a crossbar that is pivotally connected to the first wheel hub of the first wheel assembly and is pivotally connected to the second wheel hub of the second wheel assembly. The suspension system also includes a first active suspension actuator that is located near the first wheel assembly, is connected to the vehicle body, is connected to the crossbar, and supports the vehicle body with respect to the crossbar. 

“The suspension system also includes a second active suspension actuator that is located near the second wheel assembly, is connected to the vehicle body, is connected to the crossbar, and supports the vehicle body with respect to the crossbar.”

When might we see an Apple Car?

On. Nov. 18, 2021, Bloomberg reported that Apple is accelerating development on its “Apple Car.” The article says the electric vehicle will be self-driving and could roll out in 2025. 

What’s more, in a note to clients — as noted by AppleInsider — investment bank Wedbush says Apple is likely to announce a strategic electric vehicle partnership in 2022 to lay the groundwork for an “Apple Car” release in 2025.




Article provided with permission from AppleWorld.Today